1 / 5
LM Forklift
The EFL201 is a robust 4-wheel lithium counterbalance forklift truck with a load capacity of 2000kg. It combines a powerful 80V lithium battery with a durable structure designed for high availability in daily operations.
Note: To cope with uneven surfaces and rainy weather, the EFL201 features a high ground clearance of 120mm and a specialized waterproof design.

Right View

Left View

Front View
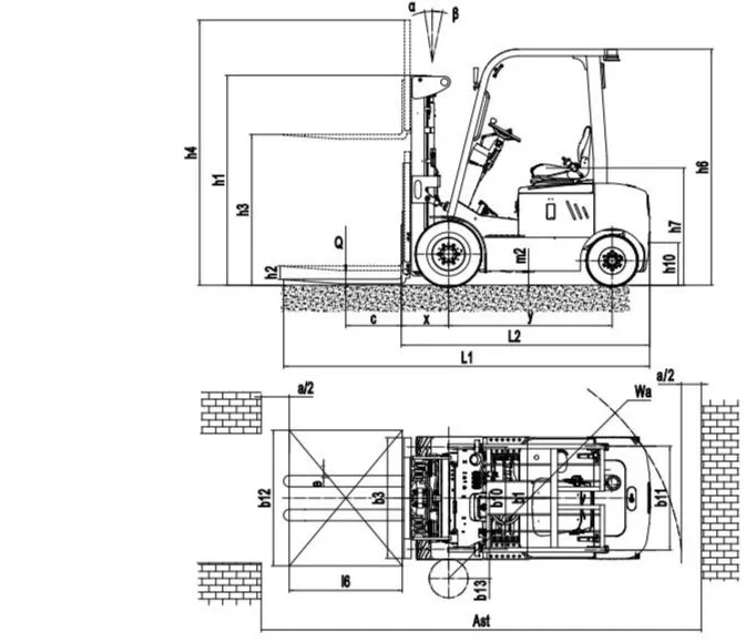
| Model | EFL201 | Drive | Electric |
| Load Capacity | 2000 kg | Load Center | 500 mm |
| Service Weight | 2940 kg | Tyre Type | Solid / Rubber |
| Lift Height | 3000 mm | Overhead Guard Height | 2080 mm |
| Overall Width | 1080 mm | Turning Radius | 2078 mm |
| Travel Speed (Laden) | 11 km/h | Max Gradeability | 12% |
| Battery Voltage | 80V / 150Ah | Aisle Width (Pallet) | 3683 mm |






